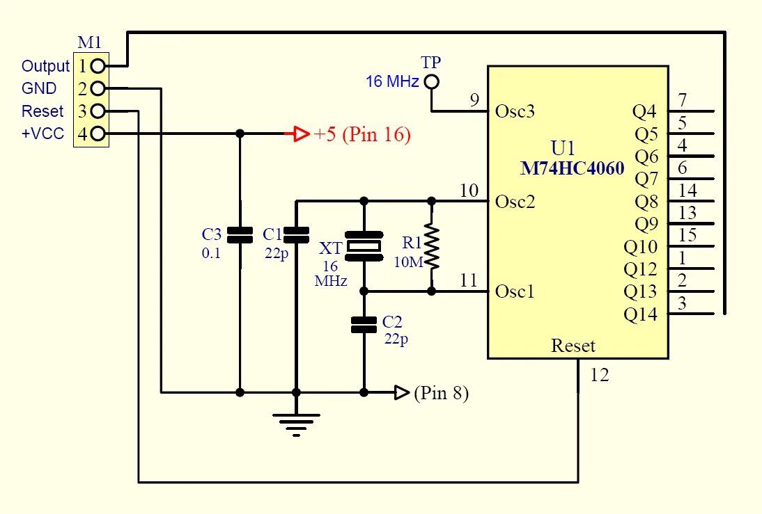
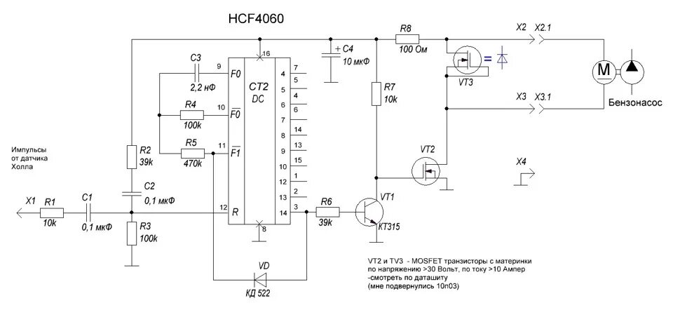
4060 стоит ли