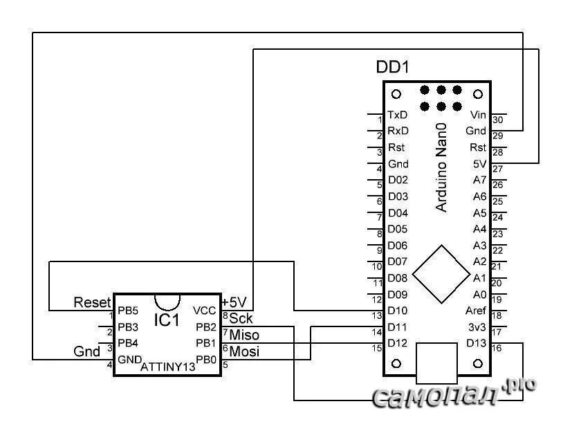
Attiny13 arduino