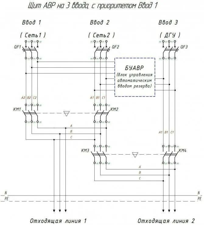
Авр аббревиатура