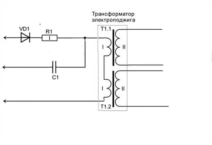
Автоподжиг газовой панели