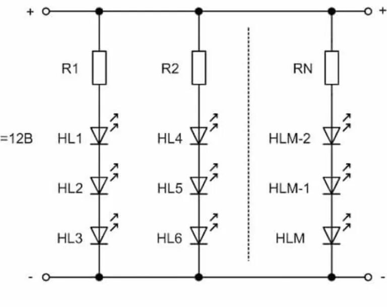
Блок питания для гирлянды светодиодной 220в