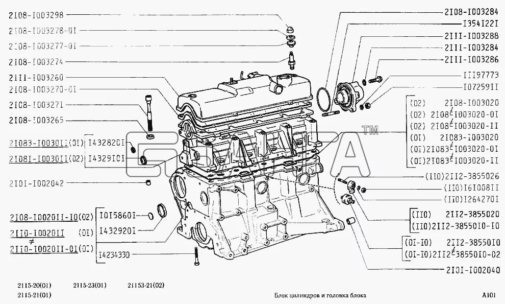
Блок ваз 2111 инжектор 8