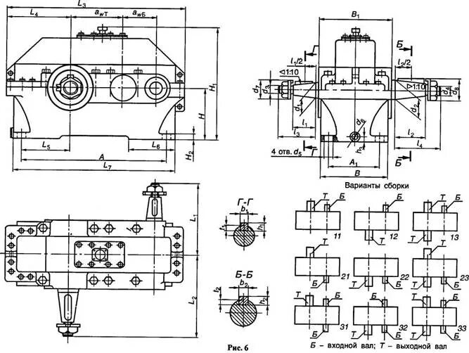
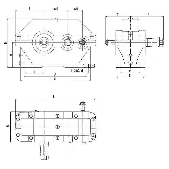
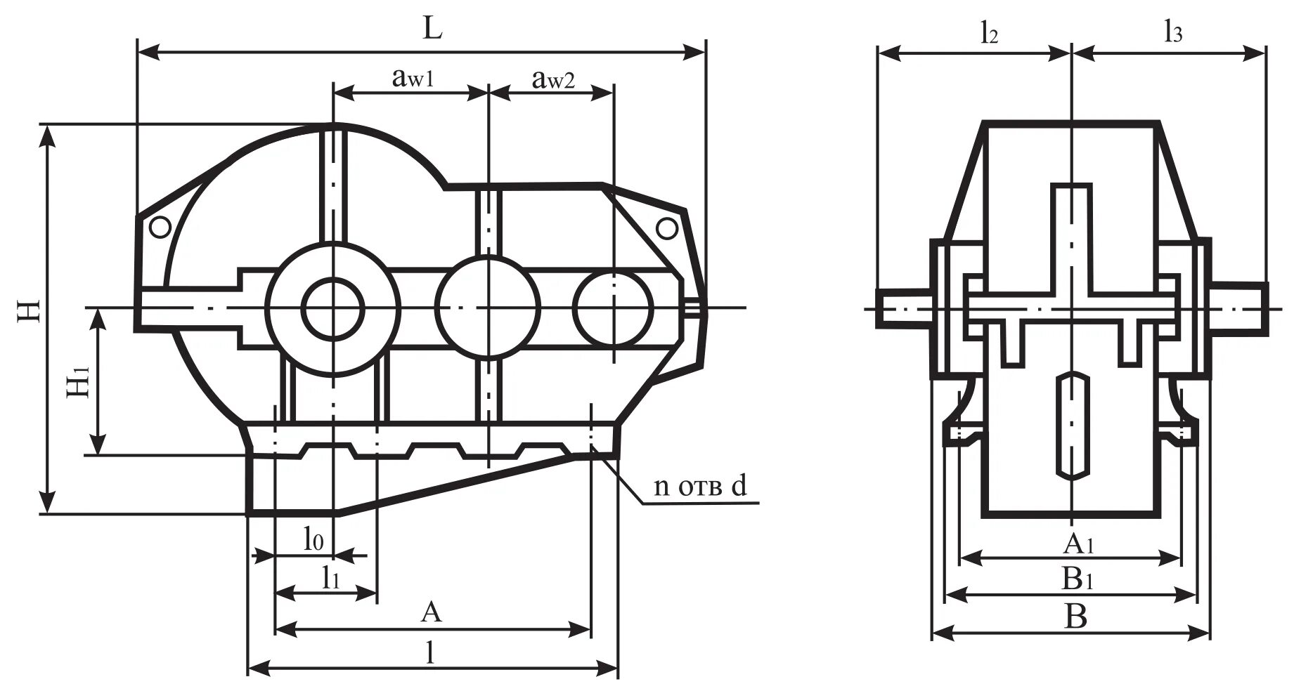
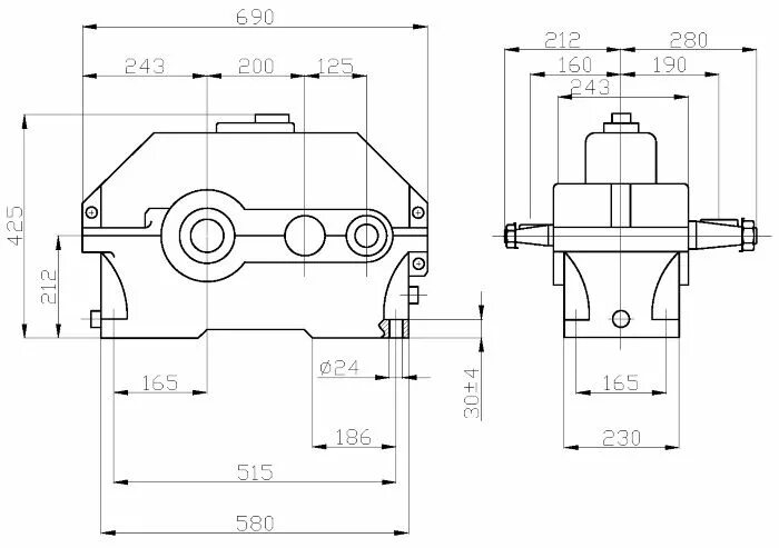
Чертежи редуктора ц2у