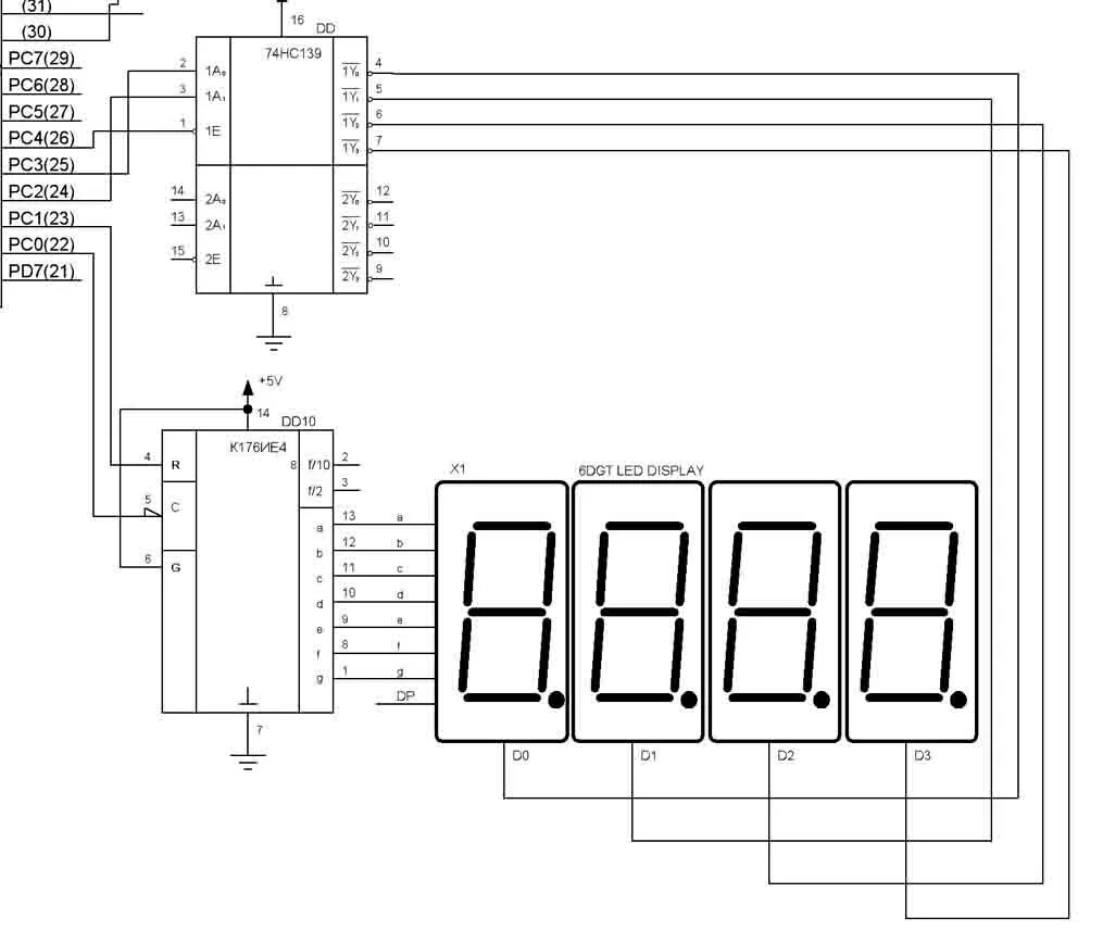
Динамическая индикация семисегментный индикатор