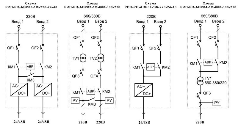
Двух независимых взаимно резервирующих источников питания