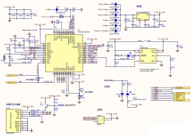
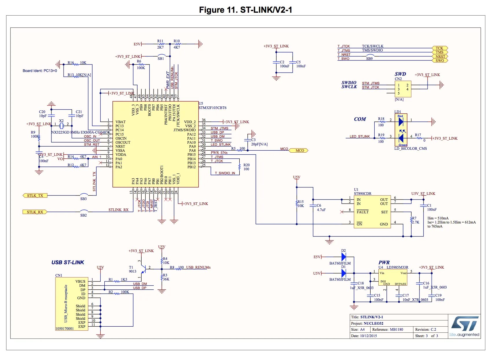
E v link