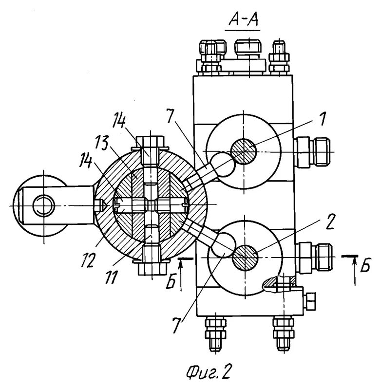
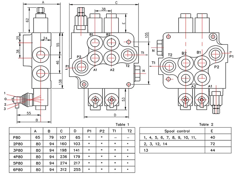
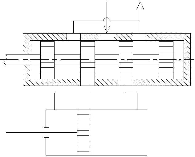
Элемент распределителя