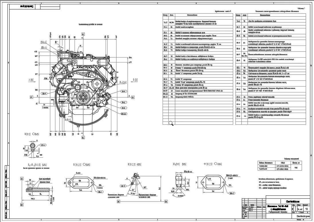
Емкость картера