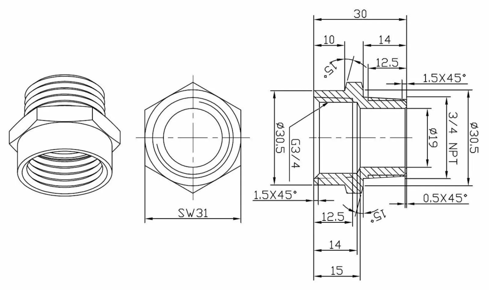
G1 2 дюйма