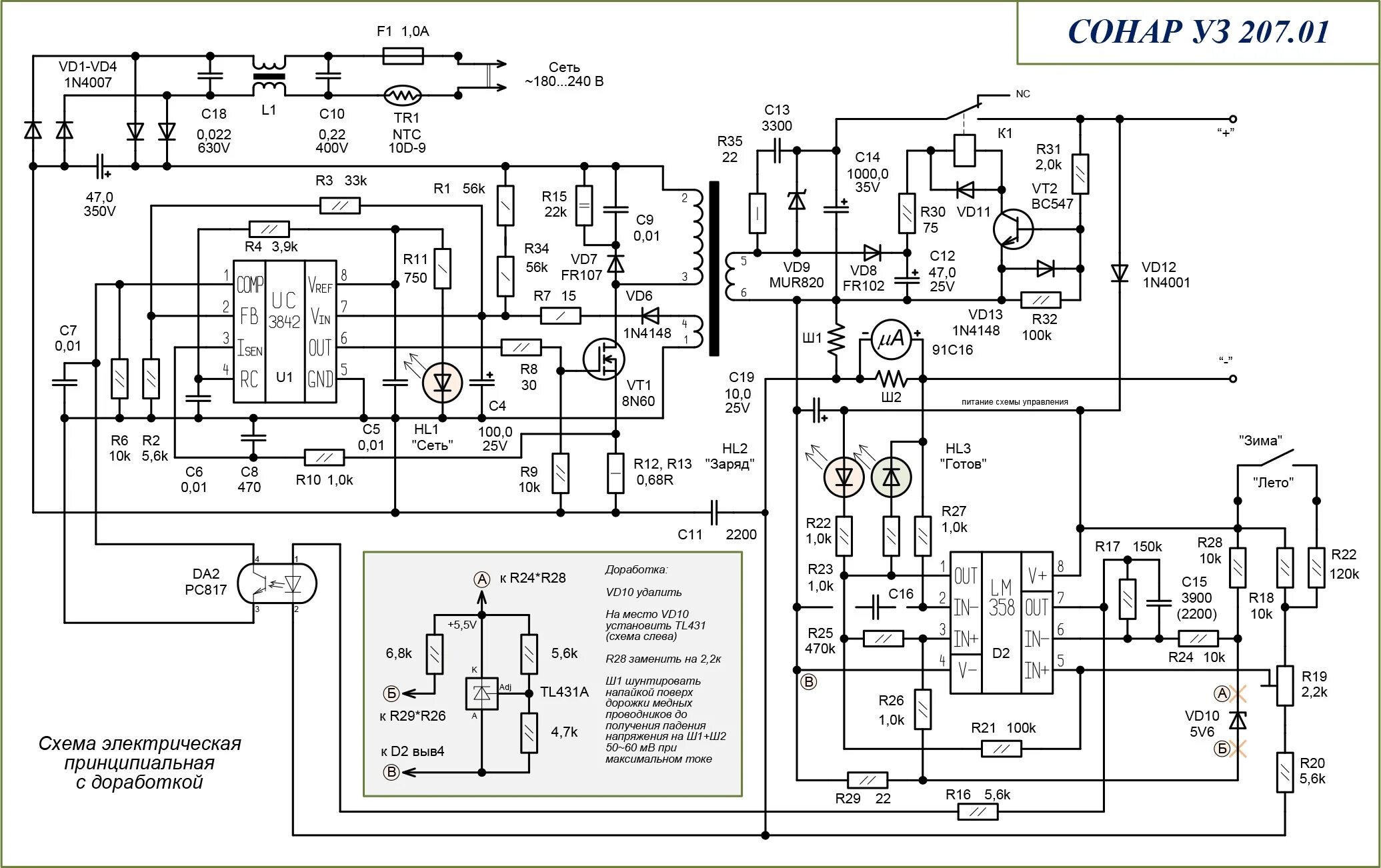
Инструкция зарядного устройства кулон