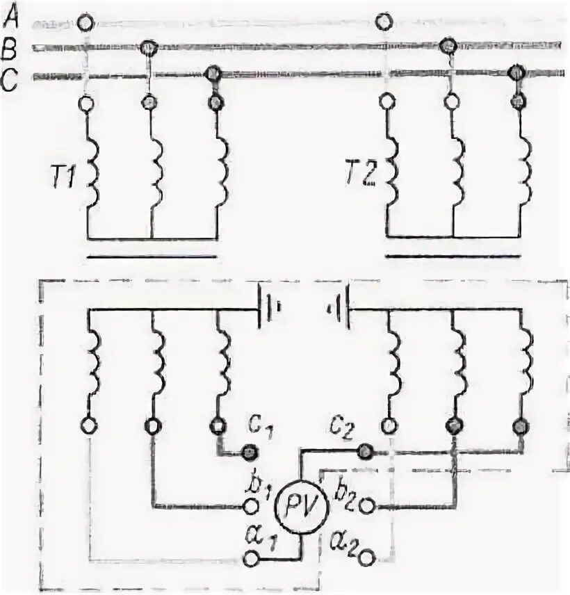
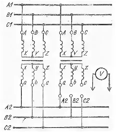
Как определить фазировку