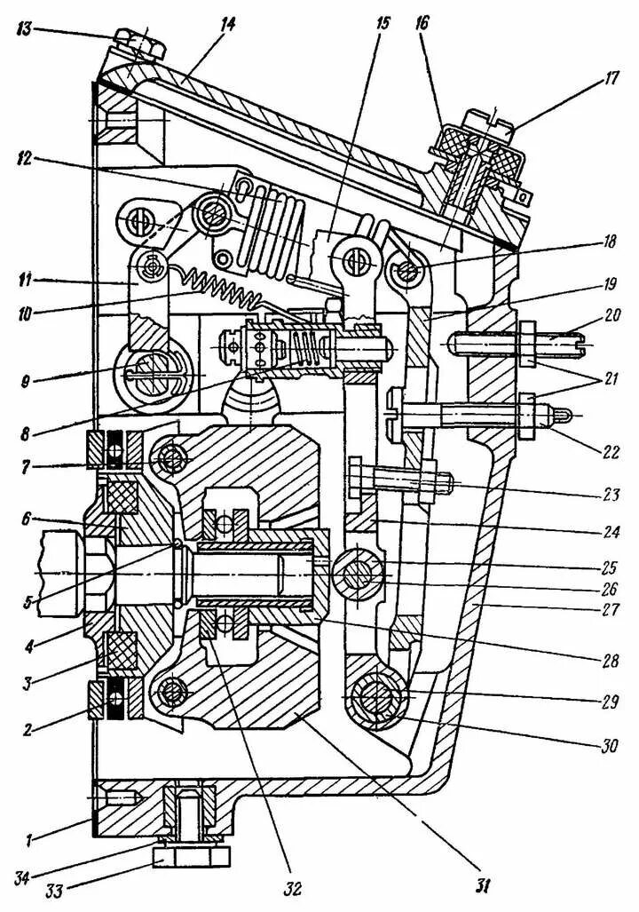
Как отрегулировать тнвд