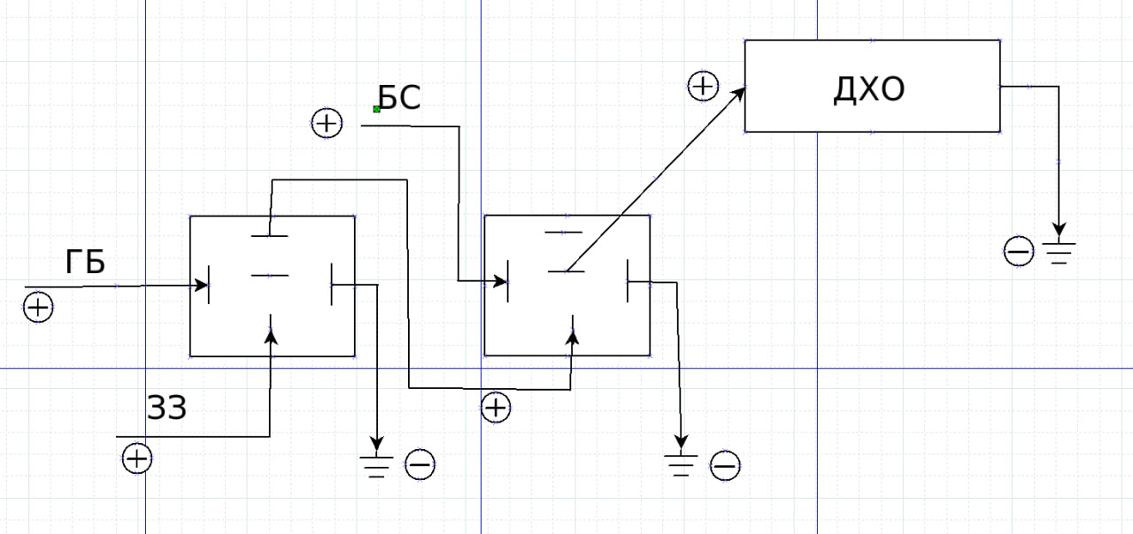
Как подключить дхо при запуске двигателя