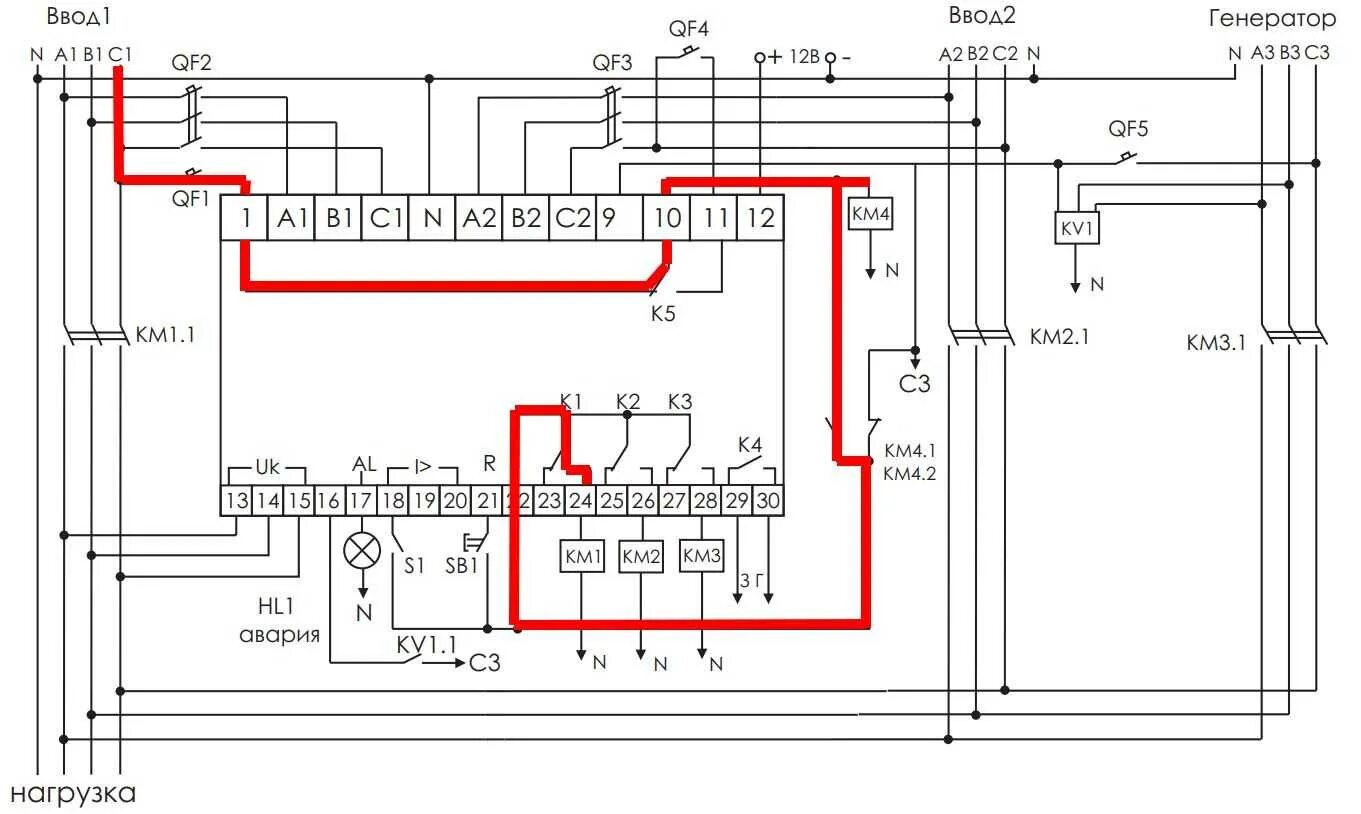
Как подключить два генератора