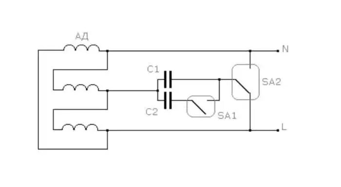
Как подключить двигатель 380 через 220