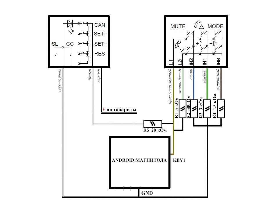
Как подключить enjoying