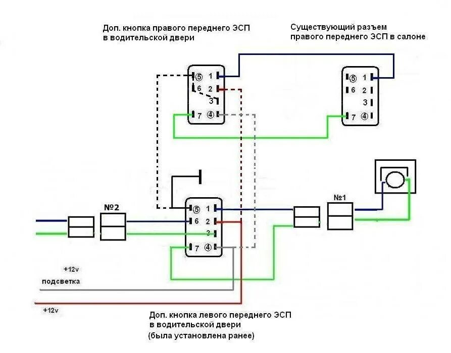
Как подключить кнопку управления