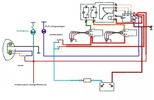
Как подключить на иж генератор