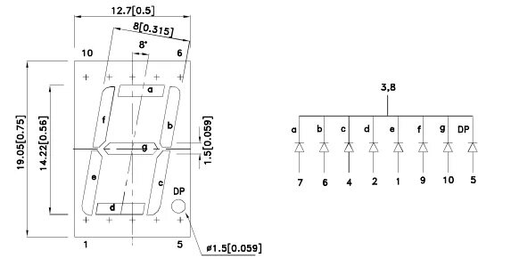
Как подключить семисегментный индикатор