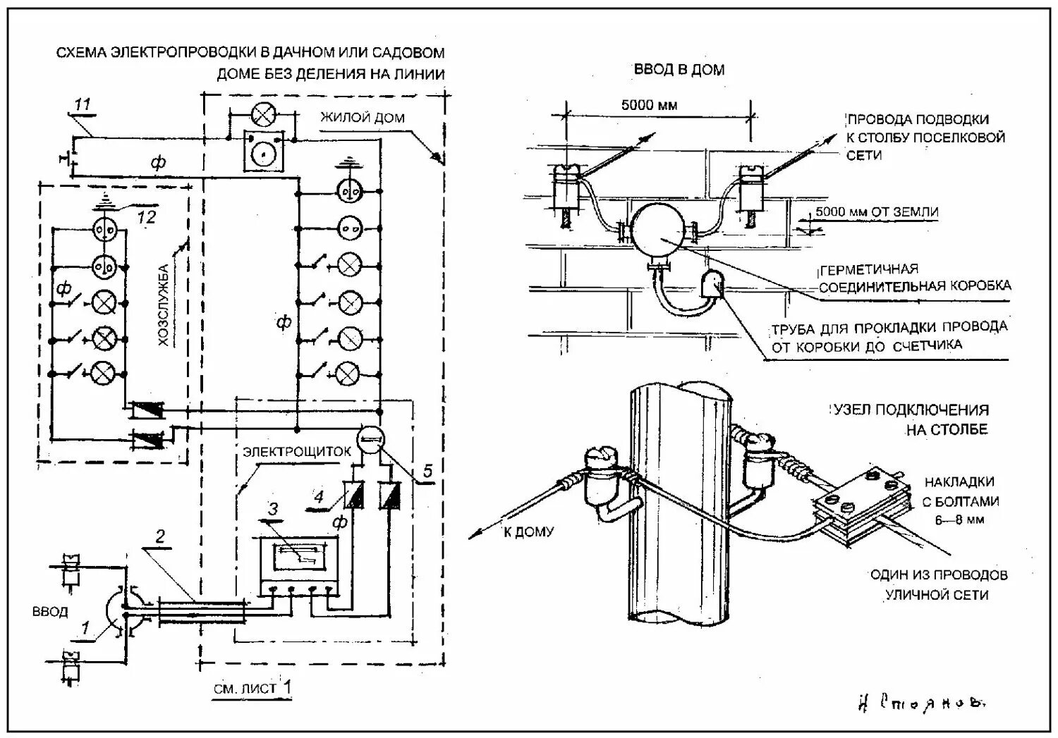
Как правильно подключить дом к электросети