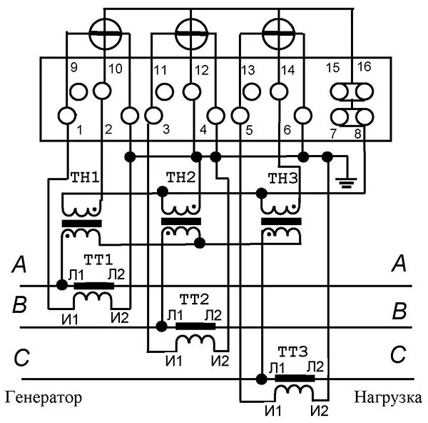
Как правильно подключить трансформатор тока