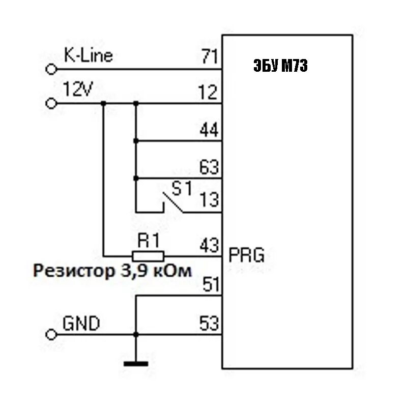
Как прошить м