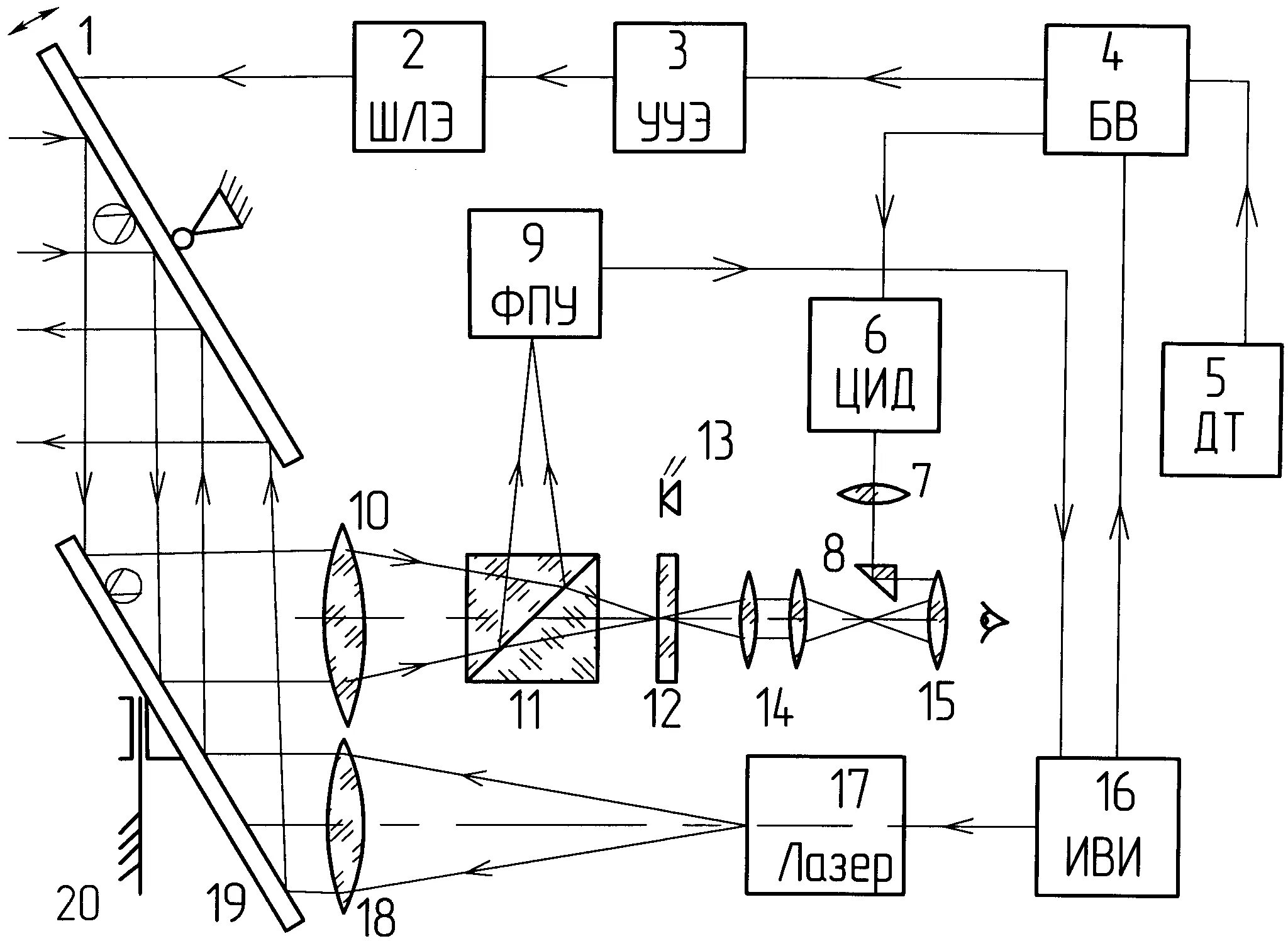
Как работает лазерный дальномер