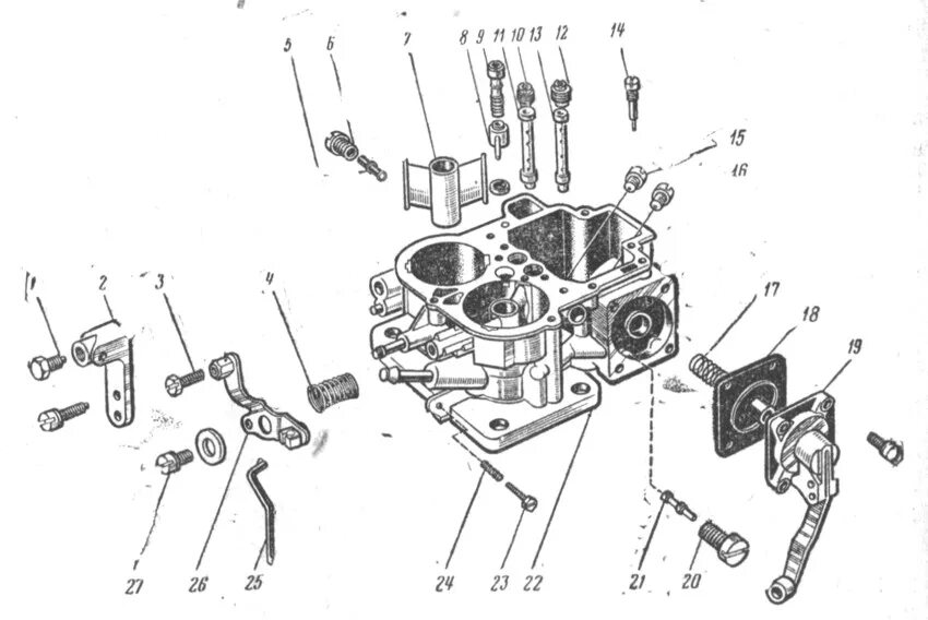
Как разбирается карбюратор