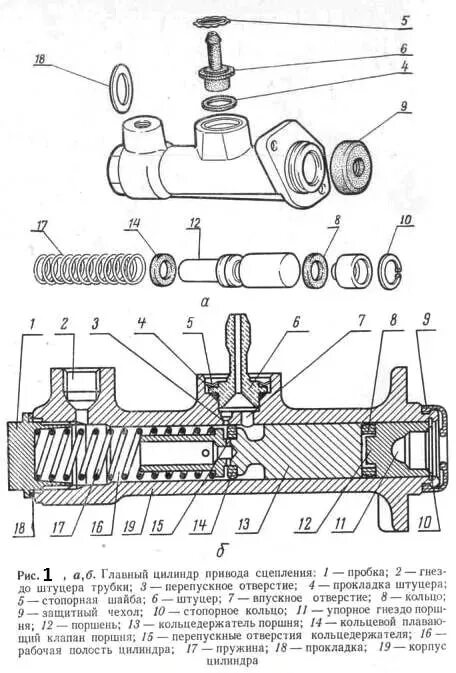
Как разобрать цилиндр сцепления