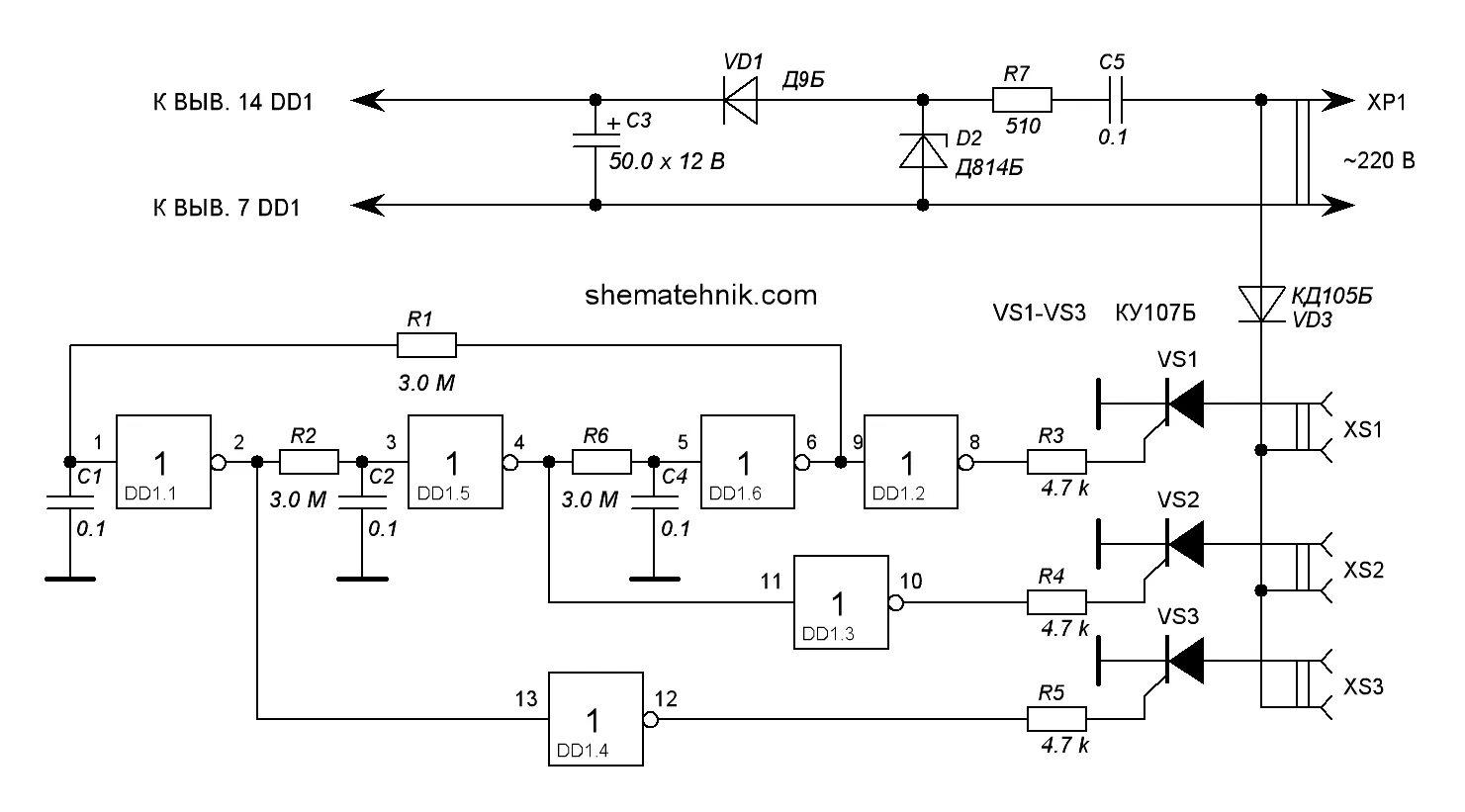
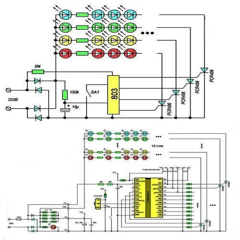
Как сделать один режим на гирлянде