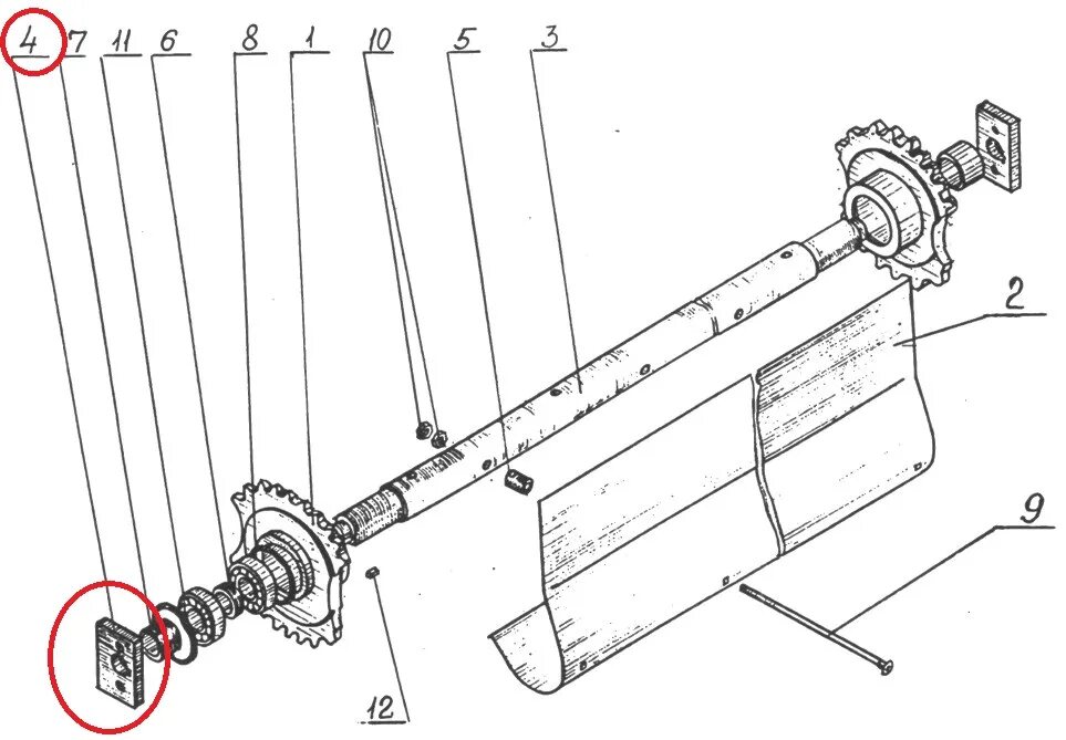
Как снять ведущий вал