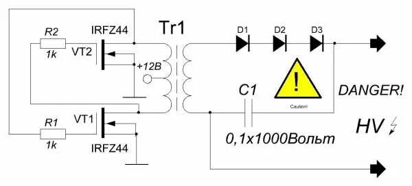
Как создать высокое напряжение