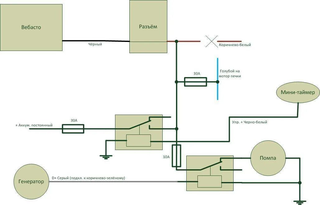
Как запустить вебасто в ручном