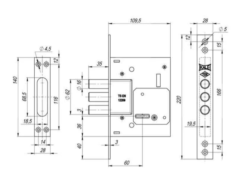
Kale kilit 257 l