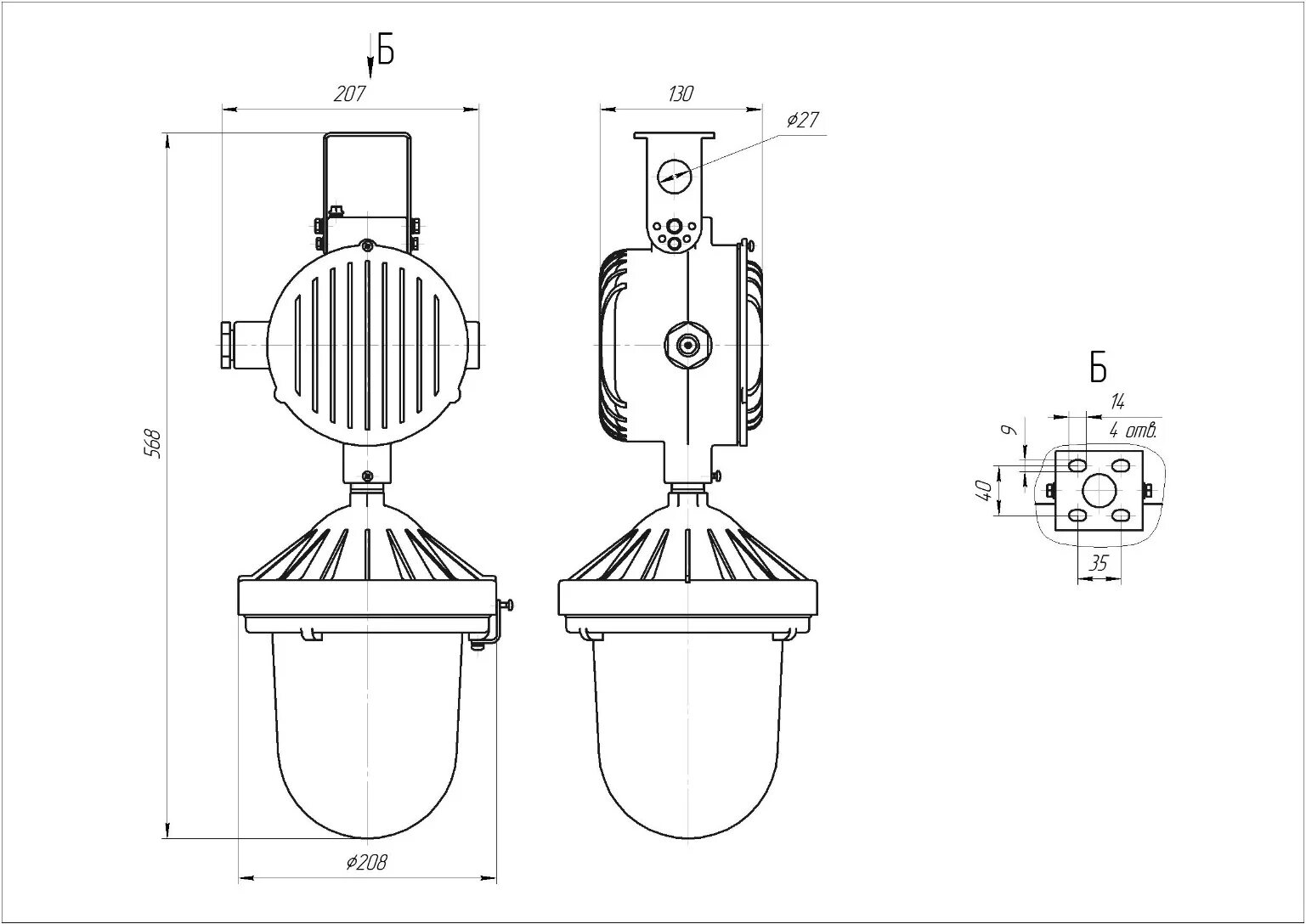
Конструкция светильника