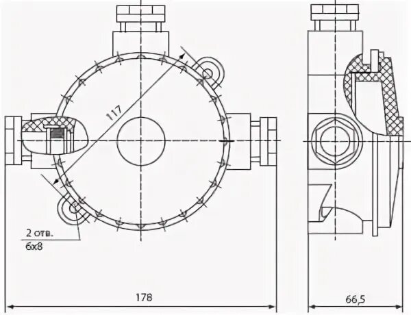
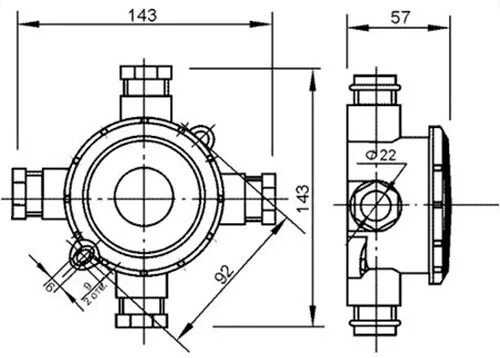
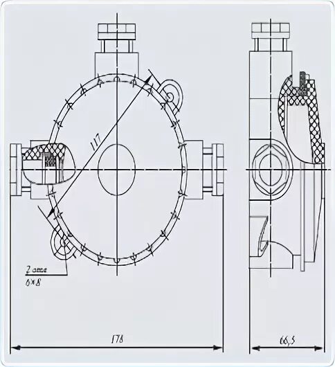
Коробки ответвительные у1