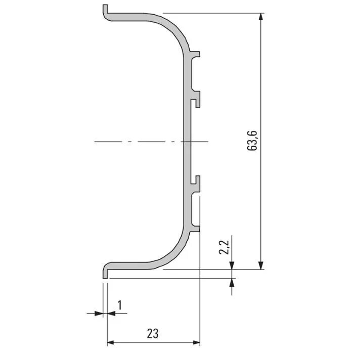
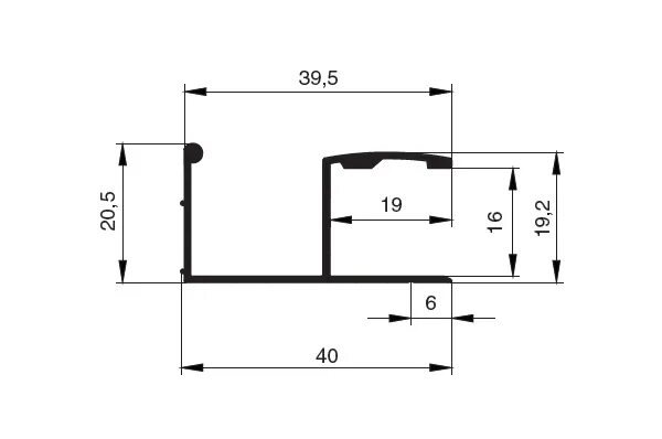
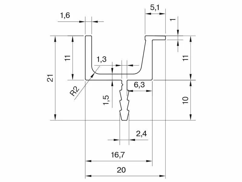
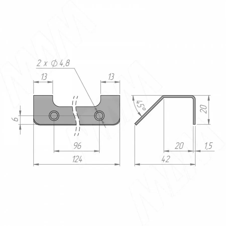
Крепление ручек профилей