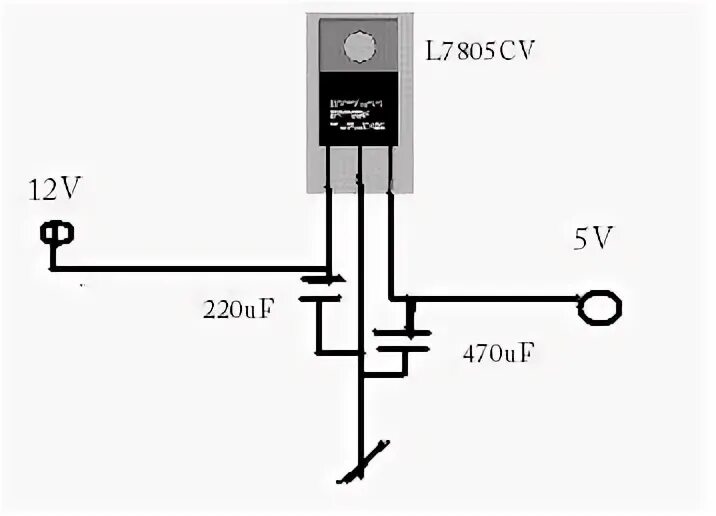
L7805cv схема подключения