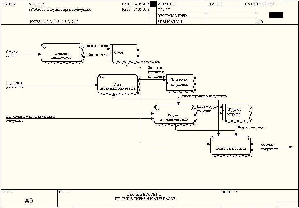
Машина потоков данных