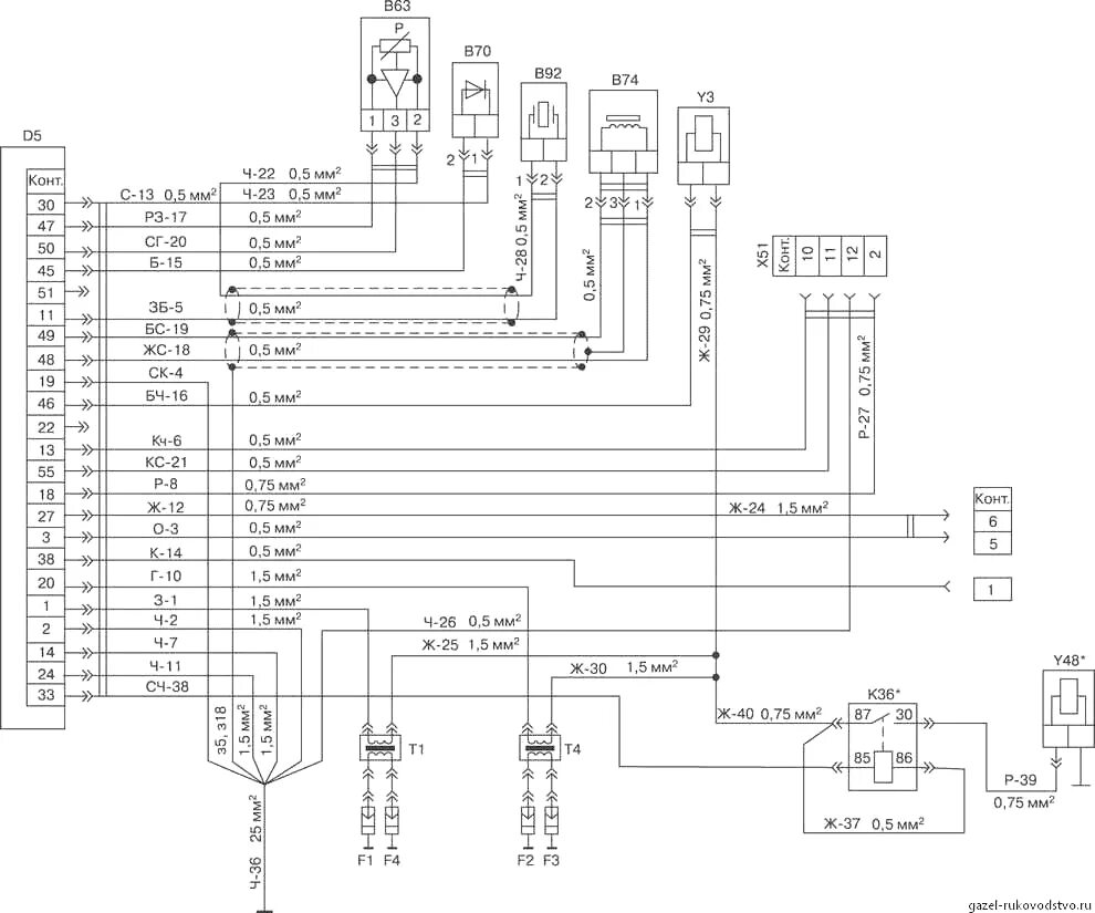
Микас 7.1 форсунки