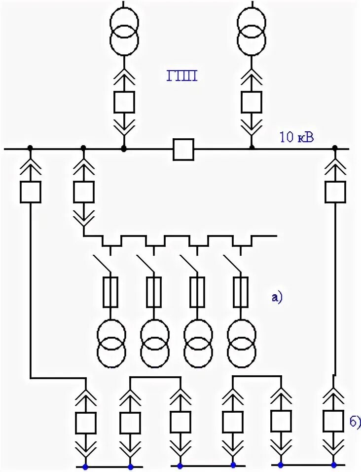
Напряжение 6