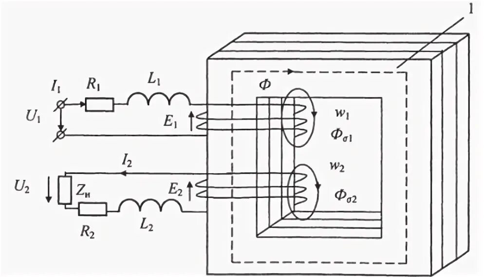
Назначение и принцип действия однофазного трансформатора