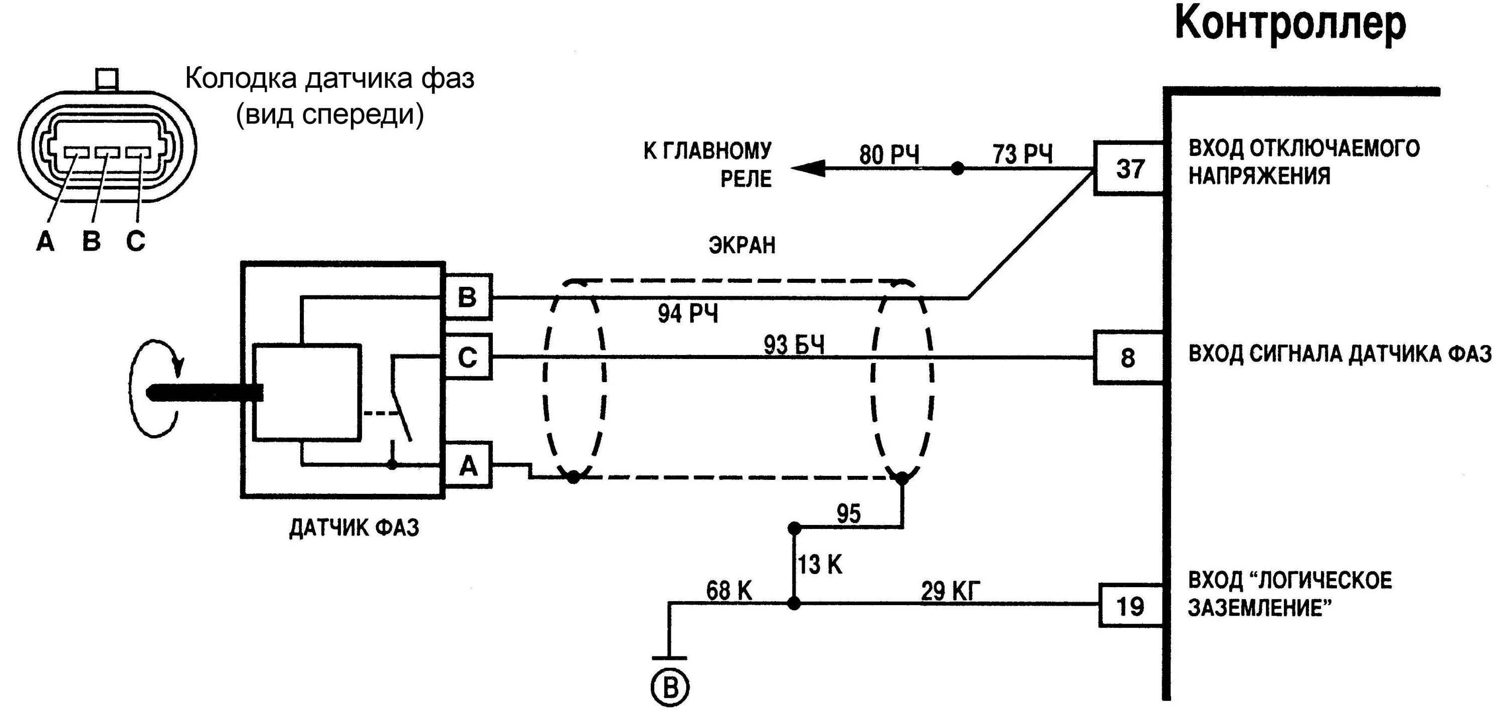
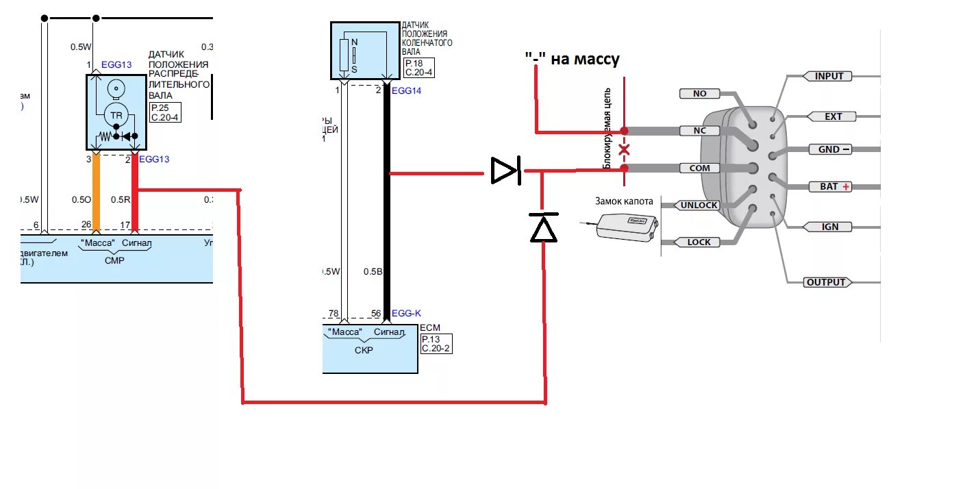
Нет питания на датчик коленвала