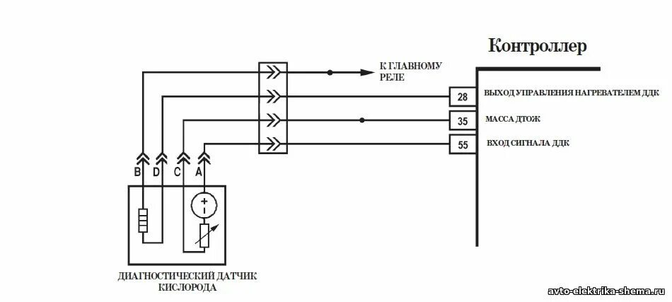
Обрыв нагревателя датчика кислорода