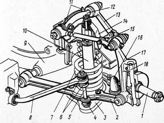
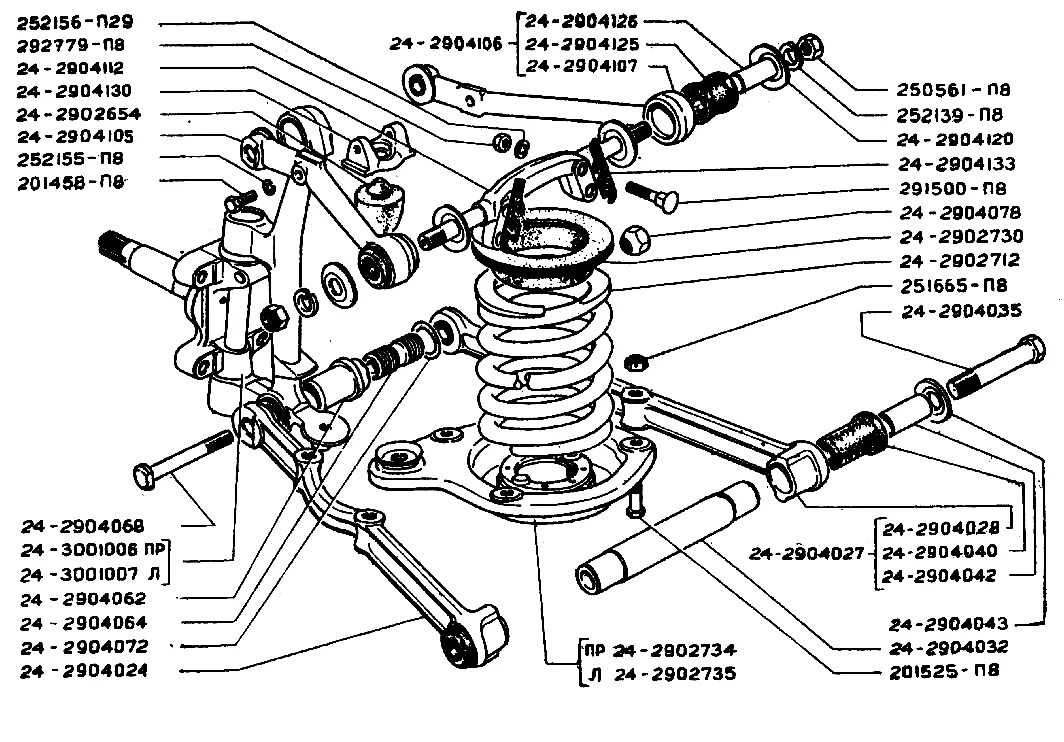
Передняя подвеска 2410