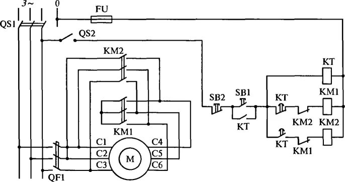
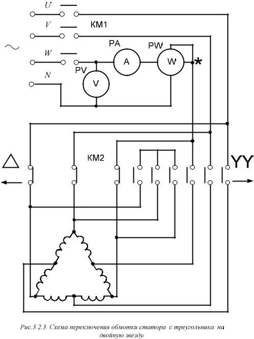
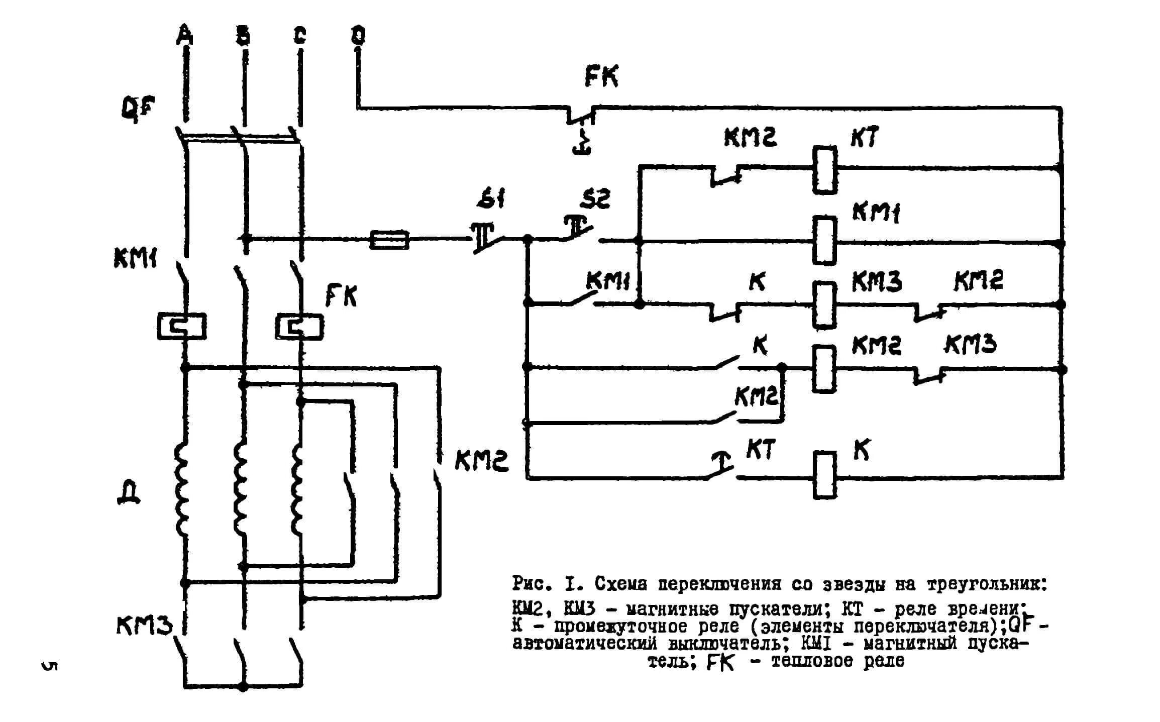
Переключение двигателя на треугольник схема