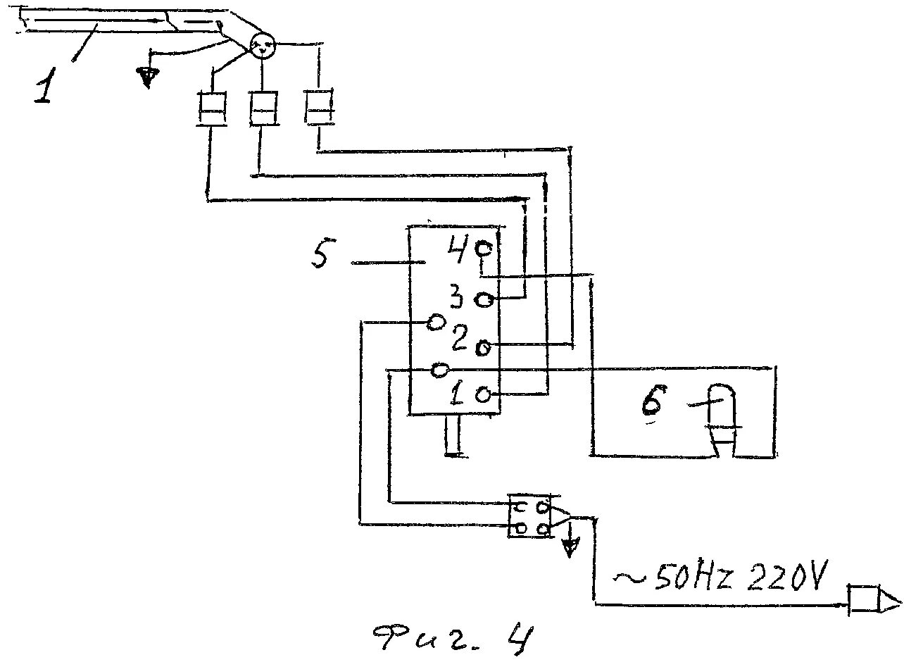
Подключение переключателя электроплиты