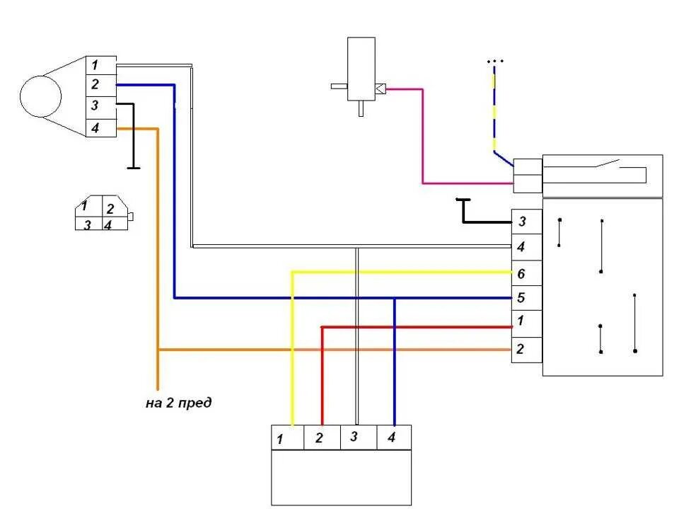
Подключение подрулевого переключателя