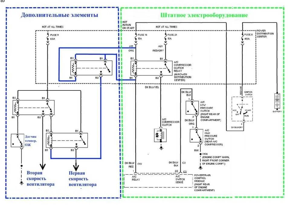
Подключение вентилятора кондиционера