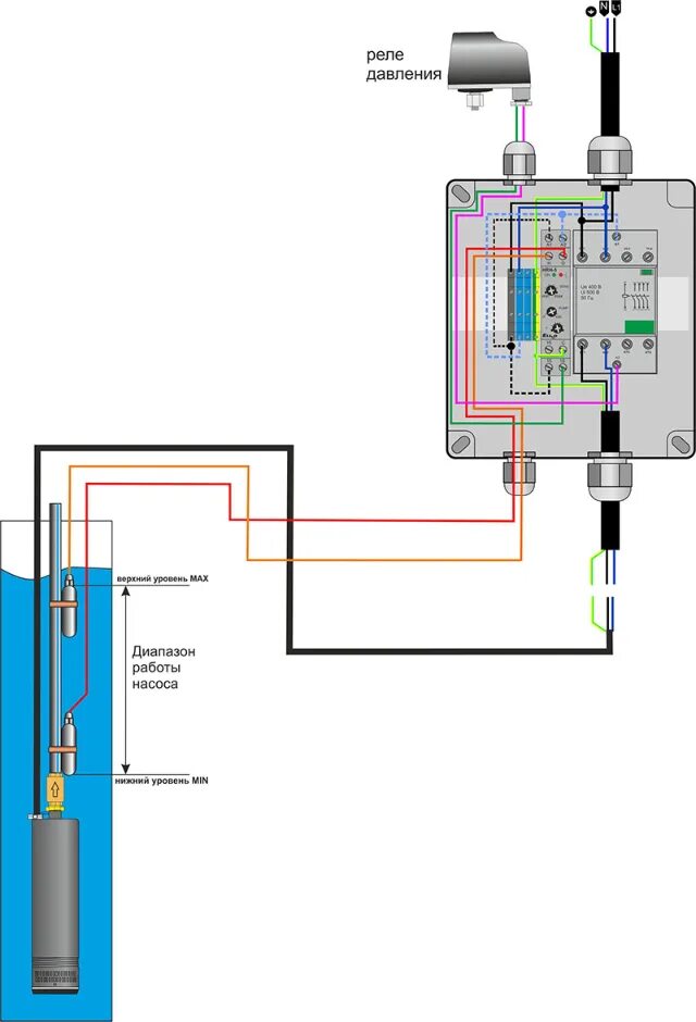
Подключить насос напрямую